Pumps - hose pumps

Bredel CIP hose pumps 20-32

Overview

Bredel CIP hose pumps 20-32

The Bredel CIP pump is built for food and beverage processes that require optimal efficiency and regular clean-in-place (CIP). 

The innovative design and automatic retractable shoes are specifically designed for CIP processes ensuring contamination-free pumping, while simplifying maintenance with minimal components.

Features and benefits

  • Enhanced hygiene: Meets all clean-in-place (CIP) requirements, ensuring system cleanliness
  • Automated shoe retraction: Reverse the pump to retract shoes without manual work. Run the pump forward to effortlessly reengage shoes
  • Reduced power usage: During cleaning, the CIP rotor allows the shoes to be retracted and the pump turned off
  • Extended hose life: Reduce hose compressions, in particular, under high temperature/chemical cleaning process
  • Retrofittable: Minimises investment costs by allowing easy rotor replacement

Technical summary

Max. flow rate continuous3200 L/h
Max. flow rate continuous844 USGPH
Volume per revolution0.152 - 0.625 L
Max. continuous operating speed65 - 100 rpm
Max. operating pressure16 bar
Max. operating pressure232 psi
Min. starting torque85 - 210 N m
Min. starting torque752 - 1,859 in.lbs
Weight42 - 133 kg

Technical Summary table lists features available within the range. See ‘Specifications’ tab for model specific information.

Performance

CIP 20 performance

Performance charts

CIP 25 performance

Performance charts

CIP 32 performance

Performance charts

Specifications

Technical specifications

CIP 20CIP 25CIP 32
Max. flow rate continuous600 L/h (158 USGPH) 1800 L/h (475 USGPH) 3200 L/h (844 USGPH) 
Max. flow rate intermittent820 L/h (216 USGPH) 2740 L/h (723 USGPH) 5250 L/h (1385 USGPH) 
Volume per revolution0.152 L (0.0402 USG) 0.3 L (0.079 USG) 0.625 L (0.165 USG) 
Max. continuous operating speed65 rpm100 rpm85 rpm
Max. intermittent operating speed90 rpm155 rpm140 rpm
Max. operating pressure10 bar (145 psi) 16 bar (232 psi) 16 bar (232 psi) 
Max. inlet pressure2 bar abs (30 psi abs) 3.5 bar abs (51 psi abs) 3 bar abs (44 psi abs) 
Max. suction capability9.5 mWC (374 inWC) 9.5 mWC (374 inWC) 9.5 mWC (374 inWC) 
Suction capability (80% Flow rate)9.5 mWC (374 inWC) 9.5 mWC (374 inWC) 9 mWC (354 inWC) 
Operating temperature-20 °C to 45 °C (-4 °F to 113 °F) -20 °C to 45 °C (-4 °F to 113 °F) -20 °C to 45 °C (-4 °F to 113 °F) 
Fluid temperature-20 °C to 80 °C (-4 °F to 176 °F) -20 °C to 80 °C (-4 °F to 176 °F) -20 °C to 80 °C (-4 °F to 176 °F) 
Min. starting torque85 N m (752 in.lbs) 115 N m (1018 in.lbs) 210 N m (1859 in.lbs) 
Weight42 kg (93 lbs)  92 kg (203 lbs)  133 kg (293 lbs)  
Pumphead weight25.2 kg (56 lbs) 50 kg (110 lbs) 76 kg (168 lbs) 
Rotor weight5.8 kg (13 lbs) 8 kg (18 lbs) 13 kg (29 lbs) 
Hose lubricant required0.7 L (0.2 USG) 2 L (0.53 USG) 3.5 L (0.92 USG) 
Port configurationsDown, Left, Right, Up Down, Left, Right, Up Down, Left, Right, Up 
Pumping directionClockwise, Counterclockwise Clockwise, Counterclockwise Clockwise, Counterclockwise 
Compatible hose materialsCSM, EPDM, F-NBR, NBR, NBR for food, NR-Metering, NR-Transfer CSM, EPDM, F-NBR, NBR, NBR for food, NR-Metering, NR-Transfer CSM, EPDM, F-NBR, NBR, NBR for food, NR-Metering, NR-Transfer 
Flange assembly typeANSI, DIN, JIS ANSI, DIN, JIS ANSI, DIN, JIS 
Sanitary connector optionsDIN 11851, DIN 11864, IDF, RJT, SMS, Tri-clamp DIN 11851, DIN 11864, IDF, RJT, SMS, Tri-clamp DIN 11851, DIN 11864, IDF, RJT, SMS, Tri-clamp 
Please consult your Bredel representative for lower or higher temperature operation. Allowable ambient temperature is based on pump capabilities and may be further limited by gearbox ambient capabilities.
Certification icons
Certification icons

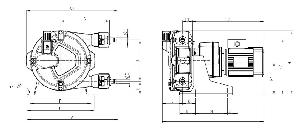
CIP 20 dimensions

Dimensions image(s)
Type A A1 B C D ØE F G H H1 H2max J K Lmax L1 L2max M N O ØP
Bredel CIP 20 (mm) 427 431 230 63 195 20/25.5 285 315 304 167 294 96 61 519 46 378 150 75 25 12
Bredel CIP 20 (inches) 16.8 17.0 9.1 2.5 7.7 0.8/1.0 11.2 12.4 12.0 6.6 11.6 3.8 2.4 20.4 1.8 14.9 5.9 3.0 1.0 0.5
Connector sizes MNPT EN DIN JIS
Bredel CIP 20 0.75" 20mm 20mm

CIP 25 dimensions

Dimensions image(s)
Type A B C D E F G H H1 H2max J K Lmax L1 L2max M N O ØP ØQ R
Bredel 25 (mm) 521 304 2.5 264 98 279 315 460 222 359 90 97 616 58 468 305 120 15 12 14 85
Bredel 25 (inches) 20.5 12 0.09 10.4 3.9 11 12.4 18.1 8.7 14.1 3.5 3.8 24.3 2.3 18.4 12 4.7 0.6 0.47 0.6 3.3
Connector sizes ANSI 150# EN DIN JIS
Bredel 25 1" 25mm 25mm

CIP 32 dimensions

Dimensions image(s)
Type A B C D E F G H H1 H2max J K Lmax L1 L2max M N O ØP ØQ R
Bredel 32 (mm) 631 375 2.5 330 105 324 360 538 260 402 91 93 703 68 544 370 120 20 12 18 100
Bredel 32 (inches) 24.8 14.8 0.09 13 4.1 12.8 14.2 21.2 10.2 15.8 3.6 3.7 27.7 2.7 21.4 14.6 4.7 0.79 0.47 0.71 3.94
Connector sizes ANSI 150# EN DIN JIS
Bredel 32 1.25"/1.5" 32mm 32mm

Materials of construction

Hose materialCSM, EPDM, F-NBR, NBR, NBR for food, NR-Metering, NR-Transfer
HousingCast iron, ISO12944 category C4M
Rotor assemblyCast iron, ISO12944 category C4M
Cover assemblyCast iron, ISO12944 category C4M
Brackets and fastenersGalvanised steel, Stainless steel 316
Support frameGalvanised steel, Stainless steel 316
Hose clampsGalvanised steel, Stainless steel 316
Coupling bushAlloy steel
SealsEPDM, NBR
Shoe materialSteel

Documentation

Brochures

  1. Bredel CIP flyer (EN).pdf
    PDF - 716kb
  2. Food and Beverage overview (EN).pdf
    PDF - 1.3mb

Datasheets

  1. CIP 20 datasheet (EN).pdf
    PDF - 1.6mb
  2. CIP 25 datasheet (EN).pdf
    PDF - 1.6mb
  3. CIP 32 datasheet (EN).pdf
    PDF - 1.6mb

Manuals

  1. Bredel CIP 20 pump manual (EN).pdf
    PDF - 13.3mb
  2. Bredel CIP 25,32 pump manual (EN).pdf
    PDF - 13.4mb

Recommended Products

  1. Bioprene hose

    Bioprene hose

    Bioprene hose elements. Meets FDA standards, resistant to alcohols, acids and oxidising products.

    Hose pump elements

  2. F-NBR hose

    F-NBR hose

    F-NBR hose elements. Suitable for all food products including oils and greases. Meets FDA, EC and 3A standards.

    Hose pump elements

  3. CSM hose

    CSM hose

    CSM hose elements. Outstanding resistance to strong, oxidising products and concentrated acids and bases.

    Hose pump elements

  4. NBR (Buna N) hose

    NBR (Buna N) hose

    NBR (Buna N) hose elements. Resistant to oils, greases, alkalis and detergents.

    Hose pump elements

Related Products

  1. Bredel DuCoNite pumps

    Bredel DuCoNite pumps

    Flow rates to 5,250 L/h (23.1 USGPM) and pressures up to 16 bar (232 psi). Paint-free electroplated pump housing.

    Pumps - hose pumps

  2. Bredel hose pumps (10-50)

    Bredel hose pumps (10-50)

    Flow rates to 17,520 L/h (4,623 USGPH) and pressures up to 16 bar (232 psi). Eliminate ancillary equipment.

    Pumps - hose pumps

  3. Bredel hose pumps (65-2100)

    Bredel hose pumps (65-2100)

    Flow rates to 108,000 L/h (475 GPM) and pressures up to 16 bar (232 psi). Eliminate ancillary equipment.

    Pumps - hose pumps

Our process pump specialists are here to help you succeed.

To order a product or ask a question

Contact our experts