Tube elements for panel mount pumps
High quality silicone and chemical resistant TPE tubing. Over 50 bore/wall sizes and element lengths available.
Tubing - peristaltic
One, two and three channel instrument-quality peristaltic pumps for low flow rates. The spring-loaded track enables extended tube life and flow-accuracy. The adjustable track arm allows the user to optimise for pressure or tube life. Can operate up to 3 bar. Made from durable materials and is integrated with a range of Brushless, DC and AC motors.
Compatible with 1.6 mm wall thickness continuous tubing in six bore sizes.
The 400/D2 accepts tube elements with a 1.0 mm wall thickness and four bore sizes, allowing the user to precisely match the pump to the required flow. The 400/DM2 works with standard manifold tubing, which is available in 19 bore sizes.
The 400/D3 accepts tube elements with a 1.0 mm wall thickness and four bore sizes, allowing the user to precisely match the pump to the required flow. The 400/DM3 works with standard manifold tubing, which is available in 19 bore sizes.
| Motor types | Fixed speed DC motor, Stepper motor |
| Pumphead options | B1, D2, D3 |
Technical Summary table lists features available within the range. See ‘Specifications’ tab for model specific information.
| Flow rates (ml/min) 1.0 mm wall tubing | ||||||||||||||
|---|---|---|---|---|---|---|---|---|---|---|---|---|---|---|
| Tube bore (mm) | Speed (rpm) | |||||||||||||
| 4 | 5 | 10 | 12 | 15 | 20 | 25 | 40 | 50 | 75 | 100 | 130 | 200 | 250 | |
| 0.5 | 0.05 | 0.07 | 0.13 | 0.16 | 0.20 | 0.26 | 0.33 | 0.52 | 0.65 | 1.0 | 1.3 | 1.7 | 2.6 | 3.3 |
| 1.0 | 0.20 | 0.25 | 0.50 | 0.60 | 0.75 | 1.0 | 1.3 | 2.0 | 2.5 | 3.8 | 5.0 | 6.5 | 10 | 12 |
| 2.0 | 0.72 | 0.90 | 1.8 | 2.2 | 2.7 | 3.6 | 4.5 | 7.2 | 9.0 | 13 | 18 | 23 | 36 | 45 |
| 3.0 | 1.3 | 1.7 | 3.3 | 4.0 | 5.0 | 6.6 | 8.3 | 12.7 | 16 | 25 | 33 | 43 | 66 | 82 |
| Flow rates (ml/min) 1.6 mm wall tubing | ||||||||||||||
|---|---|---|---|---|---|---|---|---|---|---|---|---|---|---|
| Tube bore (mm) | Speed (rpm) | |||||||||||||
| 4 | 5 | 10 | 12 | 15 | 20 | 25 | 40 | 50 | 75 | 100 | 130 | 200 | 250 | |
| 0.5 | 0.05 | 0.07 | 0.13 | 0.16 | 0.2 | 0.26 | 0.33 | 0.52 | 0.65 | 1.0 | 1.3 | 1.7 | 2.6 | 3.3 |
| 1.0 | 0.2 | 0.25 | 0.5 | 0.6 | 0.75 | 1.0 | 1.3 | 2.0 | 2.5 | 3.8 | 5.0 | 6.5 | 10 | 12 |
| 2.0 | 0.72 | 0.9 | 1.8 | 2.2 | 2.7 | 3.6 | 4.5 | 7.2 | 9.0 | 13 | 18 | 23 | 36 | 45 |
| 3.0 | 1.3 | 1.7 | 3.3 | 4.0 | 5.0 | 6.6 | 8.3 | 12.7 | 16 | 25 | 33 | 43 | 66 | 82 |
| Tube bore and flow rates (ml/min) | ||||||||||||||
|---|---|---|---|---|---|---|---|---|---|---|---|---|---|---|
| Speed (rpm) | 0.5 mm | 0.8 mm | 1.6 mm | 2.4 mm | 3.2 mm | 4.0 mm | ||||||||
| 4 | 0.04 | 0.12 | 0.44 | 0.96 | 1.6 | 2.4 | ||||||||
| 5 | 0.05 | 0.15 | 0.55 | 1.20 | 2.1 | 3.0 | ||||||||
| 10 | 0.10 | 0.30 | 1.10 | 2.4 | 4.1 | 5.9 | ||||||||
| 12 | 0.12 | 0.36 | 1.32 | 2.9 | 4.9 | 7.1 | ||||||||
| 15 | 0.15 | 0.45 | 1.6 | 3.6 | 6.1 | 8.8 | ||||||||
| 20 | 0.20 | 0.60 | 2.2 | 4.8 | 8.2 | 11 | ||||||||
| 25 | 0.25 | 0.75 | 2.7 | 6.0 | 10 | 14 | ||||||||
| 40 | 0.40 | 1.20 | 4.4 | 9.6 | 16 | 23 | ||||||||
| 50 | 0.50 | 1.5 | 5.5 | 12 | 20 | 29 | ||||||||
| 75 | 0.75 | 2.2 | 8.2 | 18 | 31 | 44 | ||||||||
| 100 | 1.00 | 3.0 | 11 | 24 | 41 | 59 | ||||||||
| 130 | 1.30 | 3.9 | 14 | 31 | 53 | 77 | ||||||||
| 200 | 2.0 | 6.0 | 22 | 48 | 82 | 118 | ||||||||
| 250 | 2.5 | 7.5 | 27 | 60 | 103 | 148 | ||||||||
| 350 | 3.5 | 10 | 38 | 84 | 144 | 207 | ||||||||
| 400 FD D2 pump | 400 FD D3 pump | 400 FD B1 pump | 400 ST B pump | |
|---|---|---|---|---|
| Motor types | Fixed speed DC motor | Fixed speed DC motor | Fixed speed DC motor | Stepper motor |
| Pumphead options | D2 | D3 | B1 | B1 |
| Pumphead number of channels | 2 | 3 | ||
| Flow rate | 0.05 ml/min to 82 ml/min | 0.05 ml/min to 82 ml/min | 0.04 ml/min to 207 ml/min | |
| Supply voltage | 12 V DC, 24 V DC | 12 V DC, 24 V DC | 12 V DC, 24 V DC | |
| Operating temperature | -10 °C to 45 °C (14 °F to 113 °F) | -10 °C to 45 °C (14 °F to 113 °F) | ||
| Power consumption | 5 W | 5 W | 5 W | |
| Gearbox ratio | Spur; 30:1, 75:1, 250:1 | Spur;15:1;30:1;75:1;250;1 | Spur; 15:1, Spur; 250:1, Spur; 30:1, Spur; 75:1 | |
| Compatible tubing bore size | 0.5, 1, 2, 3 mm | 0.5, 1, 2, 3 mm | ||
| Compatible tubing wall thickness | 1 mm | 1 mm | 1.6 mm |
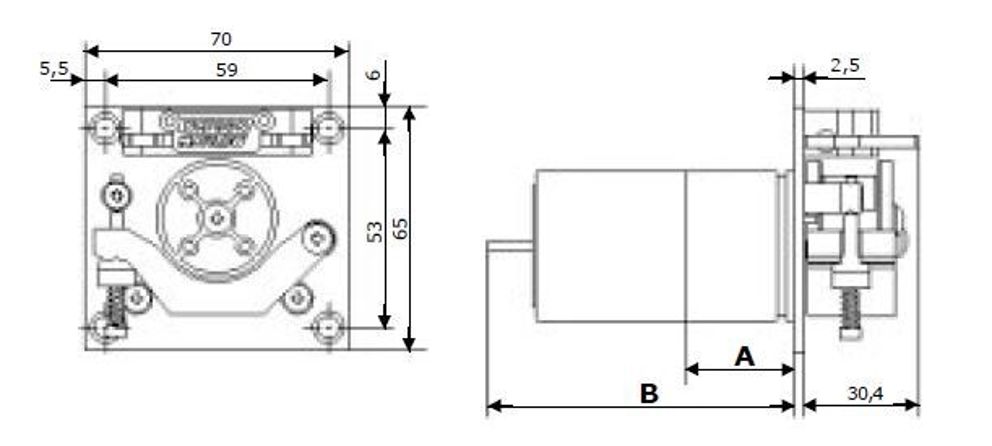
| Motor Type | 400FD/D2 5 W |
|---|---|
| Dimensions A | L=26.5 mm x Ø39.6 mm |
| Dimensions B | L=81.0 mm* x Ø39.6 mm |
*=maximum length behind mounting plate
| Motor Type | 400FD/D3 5 W |
|---|---|
| Dimensions A | L=26.5 mm x Ø39.6 mm |
| Dimensions B | L=81.0 mm* x Ø39.6 mm |
| *=maximum length behind mounting plate | |
| Motor type | Dimension A | Dimension B |
|---|---|---|
| Standard DC 5W | L=26.5mm X Ø39.6mm | L=87.3mm* X Ø39.6mm |
| Economy DC 5W | L=26.5mm X Ø39.6mm | L=81.0mm* X Ø39.6mm |
| Brushless DC 5W | L=26.5mm X Ø39.6mm | L=77.0mm* X Ø39.6mm |
*maximum length behind mounting plate.
| Motor type | Length overall (A+B) | Ø overall (A+B) |
|---|---|---|
| Synchronous AC 2W | 44.4mm | 78.6mm |
| Pumphead body assembly | Acetal (black) |
| Pumphead rotor assembly | Acetal (black), Acid resistant stainless steel |
| Pumphead roller assembly | Acetal (black) |
| Face plate | Anodised aluminium |
| Driveshaft | Acid resistant stainless steel |
| Springs | Acid resistant stainless steel |
Information listed covers the complete range. For detailed specifications of individual models/components refer to product reference manual or contact WMFTS representative.
| Pump product codes | Motor type | Voltage | Speed (rpm) | Product code |
|---|---|---|---|
| Economy DC 5 W | 24 VDC | 200 | 040.BS1D.N2C |
| Economy DC 5 W | 24 VDC | 75 | 040.BN1D.N2C |
| Economy DC 5 W | 24 VDC | 25 | 040.BC1D.N2C |
| Brushless DC 5 W | 24 VDC | 250 | 040.FT1D.N2C |
| Brushless DC 5 W | 24 VDC | 130 | 040.FQ1D.N2C |
| Brushless DC 5 W | 24 VDC | 50 | 040.FK1D.N2C |
| Brushless DC 5 W | 24 VDC | 15 | 040.F91D.N2C |
| Syncronous AC 2 W | 110 VAC (60 Hz) | 25 | 040.HC1D.N2C |
| Syncronous AC 2 W | 220 VAC (50 Hz) | 20 | 040.JA1D.N2C |
| Syncronous AC 2 W | 110 VAC (60 Hz) | 12 | 040.H81D.N2C |
| Syncronous AC 2 W | 220 VAC (50 Hz) | 10 | 040.J71D.N2C |
| Syncronous AC 2 W | 110 VAC (60 Hz) | 5 | 040.H41D.N2C |
| Syncronous AC 2 W | 220 VAC (50 Hz) | 4 | 040.J31D.N2C |
| Tubing product codes | |||
|---|---|---|---|
| Standard 430 tube elements for 400F/D2 pumpheads | Bore/Wall | Bioprene | Peroxide cured Silicone | Connects to |
| 0,.5/1.0 mm | 049.EF6D.N05 | - | Tube bore 3.0 |
| 1.0/1.0 mm | 049.EF6D.N10 | 049.EH6D.N10 | Tube bore 3.0 |
| 2.0/1.0 mm | 049.EF6D.N20 | 049.EH6D.N20 | Tube bore 3.0 |
| 3.0/1.0 mm | - | 049.EH6D.N30 | Tube bore 3.0 |
| Pump product codes | |||
|---|---|---|---|
| Motor type | Voltage | Speed (rpm) | Product code |
| Standard DC 5 W | 24-30 VDC | 12 | 040.E81D.N3C |
| Economy DC 5 W | 24 VDC | 200 | 040.BS1D.N3C |
| Economy DC 5 W | 24 VDC | 75 | 040.BN1D.N3C |
| Economy DC 5 W | 24 VDC | 25 | 040.BC1D.N3C |
| Brushless DC 5 W | 24 VDC | 130 | 040.FQ1D.N3C |
| Brushless DC 5 W | 24 VDC | 50 | 040.FK1D.N3C |
| Brushless DC 5 W | 24 VDC | 15 | 040.F91D.N3C |
| Tubing product codes | |||
|---|---|---|---|
| Standard 430 tube elements for 400F/D3 pumpheads | Bore/Wall | Bioprene | Peroxide cured Silicone | Connects to |
| 0,.5/1.0 mm | 049.EF6D.N05 | - | Tube bore 3.0 |
| 1.0/1.0 mm | 049.EF6D.N10 | 049.EH6D.N10 | Tube bore 3.0 |
| 2.0/1.0 mm | 049.EF6D.N20 | 049.EH6D.N20 | Tube bore 3.0 |
| 3.0/1.0 mm | - | 049.EH6D.N30 | Tube bore 3.0 |
| Motor type | Voltage | Speed (rpm) | Product code |
|---|---|---|---|
| Economy DC 5W | 12VDC | 350 | 040.AU1B.01C |
| Economy DC 5W | 24VDC | 350 | 040.BU1B.01C |
| Economy DC 5W | 12VDC | 200 | 040.AS1B.01C |
| Economy DC 5W | 24VDC | 200 | 040.BS1B.01C |
| Economy DC 5W | 12VDC | 75 | 040.AN1B.01C |
| Economy DC 5W | 24VDC | 75 | 040.BN1B.01C |
| Economy DC 5W | 12VDC | 25 | 040.AC1B.01C |
| Economy DC 5W | 24VDC | 25 | 040.BC1B.01C |
| Brushless DC 5W | 24VDC | 250 | 040.FT1B.01C |
| Brushless DC 5W | 24VDC | 130 | 040.FQ1B.01C |
| Brushless DC 5W | 24VDC | 50 | 040.FK1B.01C |
| Brushless DC 5W | 24VDC | 15 | 040.F91B.01C |
| Syncronous AC 2W | 110VAC (60Hz) | 25 | 040.HC1B.01C |
| Syncronous AC 2W | 220VAC (50Hz) | 20 | 040.JA1B.01C |
| Syncronous AC 2W | 110VAC (60Hz) | 12 | 040.H81B.01C |
| Syncronous AC 2W | 220VAC (50Hz) | 10 | 040.J71B.01C |
| Syncronous AC 2W | 110VAC (60Hz) | 5 | 040.H41B.01C |
| Syncronous AC 2W | 220VAC (50Hz) | 4 | 040.J31B.01C |
High quality silicone and chemical resistant TPE tubing. Over 50 bore/wall sizes and element lengths available.
Tubing - peristaltic
Speed control boards with manual, remote or auto control. External potentiometer.
Pumps - panel mount pumps
Thermoplastic tubing with long peristaltic life and low permeability. 5 ºC to 80 ºC (23 ºF to 176 ºF).
Tubing - peristaltic
Platinum-cured silicone tubing with ultra smooth bore and excellent flow stability. -20 ºC to 80 ºC (-4 ºF to 176 ºF).
Tubing - peristaltic
Iconic flip-top pumps for flows up to 500 ml/min. Accurate flow performance to medium pressures.
Pumps - panel mount pumps
Iconic flip-top pumps for flows to 2,000 ml/min. Suitable for wide range of flow rate and filling applications.
Pumps - panel mount pumps
Our smallest pump for micro flows from 30 μl/min to 30 ml/min.
Pumps - panel mount pumps
One to eight channel pumps for medium flows to 200 ml/min. Compact design and Luer connectors for 'fit and forget' applications.
Pumps - panel mount pumps
Flexible, high quality designs which are well suited to custom projects.
Pumps - panel mount pumps
Precision pump used within surgical cooling applications which require flow control to specified, high pressures.
Pumps - panel mount pumps
Durable, single channel pumps for high flows to 3,500 ml/min. Supports continuous tubing and Loadsure elements for high pressures.
Pumps - panel mount pumps
To order a product or ask a question