Pumps - hose pumps

APEX hose pumps

Overview

APEX hose pumps

The newly expanded range of APEX hose pumps is ideal for aggressive and abrasive applications up to 8 bar (116 psi). With their seal-less, valve-less design, APEX pumps are engineered for a more competitive price/performance ratio vs high pressure hose pumps. Designed to suit all dosing, metering and transfer applications with unmatched flow stability from 2.8 to 6,200 L/h.

The APEX pump incorporates Bredel’s long proven direct-coupled technology, delivering the most reliable pump design in a compact footprint. While the APEX gearbox mounts directly to the pump housing, the APEX pump rotor is supported by its own sealed bearing hub, isolating and protecting the gearbox from integral forces.

Chemical Compatibility Guide

Features and benefits

  • Seal-less, valve-less design
  • Precision machined hose elements for accurate, repeatable performance
  • Optimised hose compression for unmatched flow stability
  • Direct-coupled drive and maximum flexibility - no separate couplings to align or maintain
  • Ultra compact design with flexibility to mount standard gear motors - rotor supported by own bearings to maximise gearbox life
  • Lower maintenance costs - single component change means fewer spare parts inventory

Technical summary

Max. flow rate continuous5310 L/h
Max. flow rate continuous1401 USGPH
Volume per revolution0.046 - 0.74 L
Max. continuous operating speed100 - 140 rpm
Max. operating pressure8 bar
Max. operating pressure116 psi
Min. starting torque48 - 230 N m
Min. starting torque425 - 2,040 in.lbs
Weight40 - 140 kg

Technical Summary table lists features available within the range. See ‘Specifications’ tab for model specific information.

Performance

APEX 10 performance

Performance charts

APEX 15 performance

Performance charts

APEX 20 performance

Performance charts

APEX 28 performance

Performance charts

APEX 35 performance

Performance charts

Specifications

Technical specifications

APEX 10APEX 15APEX 20APEX 28APEX 35
Max. flow rate continuous275 L/h (73 USGPH) 550 L/h (145 USGPH) 875 L/h (231 USGPH) 3020 L/h (797 USGPH) 5310 L/h (1401 USGPH) 
Max. flow rate intermittent385 L/h (102 USGPH) 770 L/h (203 USGPH) 1225 L/h (323 USGPH) 3450 L/h (910 USGPH) 6200 L/h (1636 USGPH) 
Volume per revolution0.046 L (0.0122 USG) 0.091 L (0.024 USG) 0.145 L (0.038 USG) 0.36 L (0.095 USG) 0.74 L (0.195 USG) 
Max. continuous operating speed100 rpm100 rpm100 rpm140 rpm120 rpm
Max. intermittent operating speed140 rpm140 rpm140 rpm160 rpm140 rpm
Max. operating pressure8 bar (116 psi) 8 bar (116 psi) 8 bar (116 psi) 8 bar (116 psi) 8 bar (116 psi) 
Suction pressure0.05 bar abs0.05 bar abs0.05 bar abs0.05 bar abs0.05 bar abs
Suction pressure0.73 psi abs0.73 psi abs0.73 psi abs0.73 psi abs0.73 psi abs
Max. inlet pressure2 bar abs (30 psi abs) 2 bar abs (30 psi abs) 2 bar abs (30 psi abs) 2.5 bar abs (37 psi abs) 2.5 bar abs (37 psi abs) 
Operating temperature-20 °C to 45 °C (-4 °F to 113 °F) -20 °C to 45 °C (-4 °F to 113 °F) -20 °C to 45 °C (-4 °F to 113 °F) -20 °C to 45 °C (-4 °F to 113 °F) -20 °C to 45 °C (-4 °F to 113 °F) 
Fluid temperature-20 °C to 80 °C (-4 °F to 176 °F) -20 °C to 80 °C (-4 °F to 176 °F) -20 °C to 80 °C (-4 °F to 176 °F) -20 °C to 80 °C (-4 °F to 176 °F) -20 °C to 80 °C (-4 °F to 176 °F) 
Min. starting torque48 N m (425 in.lbs) 57 N m (505 in.lbs) 57 N m (505 in.lbs) 150 N m (1330 in.lbs) 230 N m (2040 in.lbs) 
Weight40 kg (88 lbs)  40 kg (88 lbs)  40 kg (88 lbs)  100 kg (220 lbs)  140 kg (309 lbs)  
Hose lubricant required1 L (0.26 USG) 1 L (0.26 USG) 1 L (0.26 USG) 2 L (0.53 USG) 4 L (1.05 USG) 
Port configurationsDown, Left, Right, Up Down, Left, Right, Up Down, Left, Right, Up Down, Left, Right, Up Down, Left, Right, Up 
Compatible hose materialsCSM, EPDM, F-NBR, NBR, NBR for food, NR CSM, EPDM, F-NBR, NBR, NBR for food, NR CSM, EPDM, F-NBR, NBR, NBR for food, NR EPDM, NBR, NBR for food, NR EPDM, NBR, NBR for food, NR 
Flange assembly typeANSI, DIN ANSI, DIN ANSI, DIN ANSI, DIN, JIS ANSI, DIN, JIS 

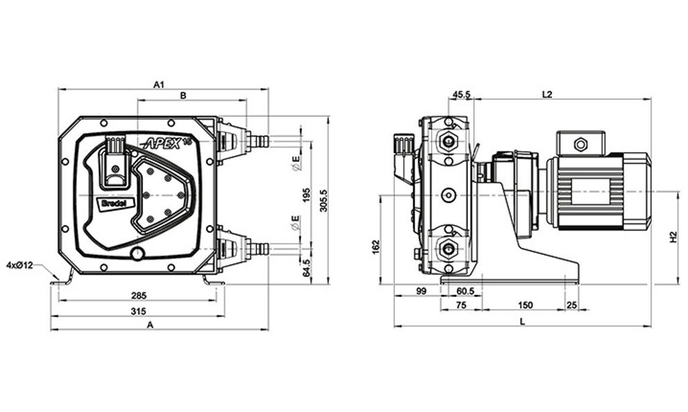
APEX 10 dimensions

Dimensions image(s)
  A A1 B E H2max Lmax L2max
APEX10 (mm) 388.5 374.5 197.5 Ø16 170 545.5 401
APEX10 (inches) 15.3 17.7 7.8 1/2" NPT 6.7 21.5 15.8
Connector sizes MNPT EN DIN JIS
APEX10 0.5" 10mm 10mm

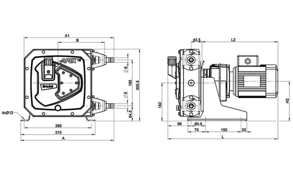
APEX 15 dimensions

Dimensions image(s)
  A A1 B E H2max Lmax L2max
APEX15 (mm) 394.5 380.5 197.5 Ø20 170 545.5 401
APEX15 (inches) 15.5 15 7.8 3/4" NPT 6.7 21.5 15.8
Connector sizes MNPT EN DIN JIS
APEX15 0.75" 20mm 20mm

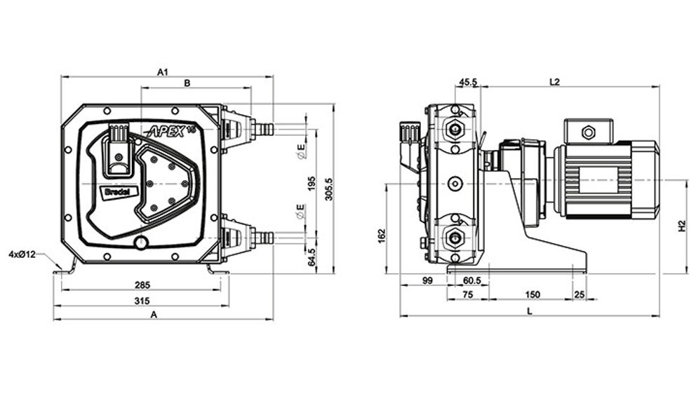
APEX 20 dimensions

Dimensions image(s)
  A A1 B E H2max Lmax L2max
APEX20 (mm) 394.5 380.5 197.5 Ø20 170 545.5 401
APEX20 (inches) 15.5 15 7.8 3/4" NPT 6.7 21.5 15.8
Connector sizes MNPT EN DIN JIS
APEX20 0.75" 20mm 20mm

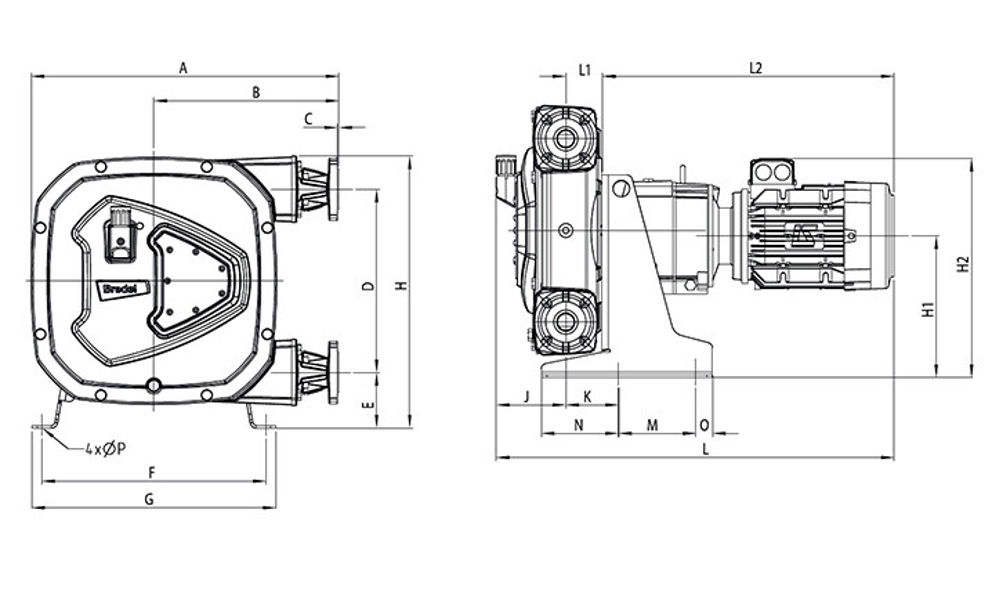
APEX 28 dimensions

Dimensions image(s)
  A B C D E F G H H1 H2max J K Lmax L1 L2max M N O ØP
APEX28 (mm) 481 297 2.5 264 98 338 370 415 221 359 124 82.5 714 63 528 152 121 27 12
APEX28 (inch) 18.9 11.7 0.1 10.4 3.9 13.3 14.6 16.3 8.7 14.1 4.9 3.2 28.1 2.5 20.8 6.0 4.8 1.1 0.5
Connector sizes ASME B16.5, 150# (ANSI) EN 1092-1, PN40 (DIN) JIS B2220, 10/16/20 kgf/cm2
APEX28 DN 1" DN 25 25mm

APEX 35 dimensions

Dimensions image(s)
  A B C D E F G H H1 H2max J K Lmax L1 L2max M N O ØP
APEX35 (mm) 557 335 2.5 330 100 406 442 490 255 373 126 95 734 66 528 140 140 30 12
APEX35 (inch) 21.9 13.2 0.1 13.0 3.9 16.0 17.4 19.3 10.0 14.7 5.0 3.7 28.9 2.6 20.8 5.5 5.5 1.2 0.5
Connector sizes ASME B16.5, 150# (ANSI) EN 1092-1, PN40 (DIN) JIS B2220, 10/16/20 kgf/cm2
APEX35 DN 1.5" DN 32 32mm

Materials of construction

Hose materialCSM, EPDM, F-NBR, Natural rubber (NR), NBR, NBR for food
HousingCast iron, Die-cast aluminium (RAL 3011)
Rotor assemblyCast iron, Die-cast aluminium
Cover assemblyDie-cast aluminium, EPDM, PMMA
Brackets and fastenersStainless steel 316
BracketsCast iron, Stainless steel AISI 316
FastenersGalvanised steel, Stainless steel AISI 316
Support frameGalvanised steel, Stainless steel AISI 316
Hose clampsStainless steel 316
Coupling bushAlloy steel
SealsEPDM, NBR

Documentation

Brochures

  1. Bredel APEX pumps (EN).pdf
    PDF - 1.3mb
  2. Bredel pumps (EN).pdf
    PDF - 2.1mb
  3. Tunnel boring (EN).pdf
    PDF - 1.8mb
  4. Water and wastewater industry (EN).pdf
    PDF - 582.2kb

Datasheets

  1. APEX 10 datasheet (EN).pdf
    PDF - 1.6mb
  2. APEX 15 datasheet (EN).pdf
    PDF - 1.5mb
  3. APEX 20 datasheet (EN).pdf
    PDF - 1.5mb
  4. APEX 28 datasheet (EN).pdf
    PDF - 1.6mb
  5. APEX 35 datasheet (EN).pdf
    PDF - 1.7mb

Manuals

  1. Bredel APEX10, 15, 20 manual (EN).pdf
    PDF - 2.8mb
  2. Bredel APEX28, 35 hose replacement guide (EN).pdf
    PDF - 787.3kb
  3. Bare shaft configuration Bredel and APEX 10-20 (EN).pdf
    PDF - 1.8mb
  4. Bredel APEX28, 35 manual (EN).pdf
    PDF - 3.3mb

Videos

Case Studies

Recommended Products

  1. APEX NR hose

    APEX NR hose

    Natural Rubber hose element for APEX hose pumps. Generally resistant to diluted acids and alcohols.

    Hose pump elements

  2. APEX NBR hose

    APEX NBR hose

    NBR hose element for APEX hose pumps. Resistant to non-mineral oils, greases, alkalis and detergents

    Hose pump elements

  3. APEX EPDM hose

    APEX EPDM hose

    EPDM hose element for APEX hose pumps. Excellent chemical resistance, especially to ketones, alcohols and concentrated acids

    Hose pump elements

Related Products

  1. Bredel DuCoNite pumps

    Bredel DuCoNite pumps

    Flow rates to 5,250 L/h (23.1 USGPM) and pressures up to 16 bar (232 psi). Paint-free electroplated pump housing.

    Pumps - hose pumps

  2. Bredel hose pumps (10-50)

    Bredel hose pumps (10-50)

    Flow rates to 17,520 L/h (4,623 USGPH) and pressures up to 16 bar (232 psi). Eliminate ancillary equipment.

    Pumps - hose pumps

  3. Bredel hose pumps (65-2100)

    Bredel hose pumps (65-2100)

    Flow rates to 108,000 L/h (475 GPM) and pressures up to 16 bar (232 psi). Eliminate ancillary equipment.

    Pumps - hose pumps

Our process pump specialists are here to help you succeed.

To order a product or ask a question

Contact our experts