Pumps - hose pumps

Bredel hose pumps (65-2100)

Overview

Bredel hose pumps (65-2100)

Bredel hose pumps have no valves or seals to leak, clog or replace and provide flow rates to 108,000 L/h and pressures to 16 bar.

They can pump viscous and abrasive slurries, pastes and sludge, with up to 80 % solids in suspension.

Unlike other pump types, the highly abrasive nature of grit-filled sludge or lime slurry in the environmental market, does not affect peristaltic hose pump life.

Bredel hose pumps eliminate ancillary equipment such as dry run protection, seal water flush systems and in-line check valves. They are also reversible to flush lines.

Chemical Compatibility Guide

Features and benefits

  • Dry running and self-priming
  • No seals, ball-checks, diaphragms, glands, immersed rotors, stators or pistons to leak, clog, corrode or replace
  • Handles abrasive slurries, corrosive acids, gaseous liquids
  • No slippage, allowing true positive displacement for accurate, repeatable metering
  • No ancillary equipment, check valves, sealing water flush systems or run-dry protection required
  • Fully reversible to blow out suction and drain lines safely

Technical summary

Max. flow rate continuous72000 L/h
Max. flow rate continuous18997 USGPH
Volume per revolution6.7 - 40 L
Max. continuous operating speed30 - 50 rpm
Max. operating pressure16 bar
Max. operating pressure232 psi
Min. starting torque1150 - 5,300 N m
Min. starting torque10178 - 46,908 in.lbs
Weight558 - 5,985 kg

Technical Summary table lists features available within the range. See ‘Specifications’ tab for model specific information.

Performance

Bredel 65 performance

Performance charts

Bredel 80 performance

Performance charts

Bredel 100 performance

Performance charts

Bredel 265 performance

Performance charts

Bredel 280 performance

Performance charts

Bredel 2100 performance

Performance charts

Specifications

Technical specifications

Bredel 65Bredel 80Bredel 100Bredel 265Bredel 280Bredel 2100
Max. flow rate continuous20100 L/h (5303 USGPH) 28080 L/h (7409 USGPH) 36000 L/h (9499 USGPH) 40200 L/h (10607 USGPH) 56160 L/h (14818 USGPH) 72000 L/h (18997 USGPH) 
Max. flow rate intermittent32160 L/h (8485 USGPH) 42120 L/h (11113 USGPH) 60000 L/h (15831 USGPH) 64320 L/h (16971 USGPH) 84240 L/h (22227 USGPH) 108000 L/h (28496 USGPH) 
Volume per revolution6.7 L (1.77 USG) 11.7 L (3.09 USG) 20 L (5.28 USG) 13.4 L (3.54 USG) 23.4 L (6.18 USG) 40 L (10.57 USG) 
Max. continuous operating speed50 rpm40 rpm30 rpm50 rpm40 rpm30 rpm
Max. intermittent operating speed80 rpm60 rpm50 rpm80 rpm60 rpm45 rpm
Max. operating pressure16 bar (232 psi) 16 bar (232 psi) 16 bar (232 psi) 16 bar (232 psi) 16 bar (232 psi) 16 bar (232 psi) 
Max. inlet pressure2 bar abs (30 psi abs) 1.5 bar abs (23 psi abs) 1.5 bar abs (23 psi abs) 2 bar abs (30 psi abs) 1.5 bar abs (23 psi abs) 1.5 bar abs (23 psi abs) 
Max. suction capability9.5 mWC (374 inWC) 9 mWC (354 inWC) 7 mWC (276 inWC) 
Suction capability (80% Flow rate)8 mWC (315 inWC) 7 mWC (276 inWC) 5 mWC (197 inWC) 
Operating temperature-20 °C to 45 °C (-4 °F to 113 °F) -20 °C to 45 °C (-4 °F to 113 °F) -20 °C to 45 °C (-4 °F to 113 °F) -20 °C to 45 °C (-4 °F to 113 °F) -20 °C to 45 °C (-4 °F to 113 °F) -20 °C to 45 °C (-4 °F to 113 °F) 
Fluid temperature-20 °C to 80 °C (-4 °F to 176 °F) -20 °C to 80 °C (-4 °F to 176 °F) -20 °C to 80 °C (-4 °F to 176 °F) -20 °C to 80 °C (-4 °F to 176 °F) -20 °C to 80 °C (-4 °F to 176 °F) -20 °C to 80 °C (-4 °F to 176 °F) 
Min. starting torque1150 N m (10178 in.lbs) 2000 N m (17701 in.lbs) 3100 N m (27437 in.lbs) 2000 N m (17701.5 in.lbs) 3400 N m (30092 in.lbs) 5300 N m (46908 in.lbs) 
Weight558 kg (1230 lbs)  930 kg (2050 lbs)  1300 kg (2866 lbs)  2780 kg (6129 lbs)  4295 kg (9469 lbs)  5985 kg (13195 lbs)  
Hose lubricant required20 L (5.28 USG) 40 L (10.57 USG) 60 L (15.85 USG) 40 L (10.57 USG) 80 L (21.13 USG) 120 L (31.7 USG) 
Port configurationsDown, Left, Right, Up Down, Left, Right, Up Down, Left, Right, Up Down, Left, Right, Up Down, Left, Right, Up Down, Left, Right, Up 
Compatible hose materialsCSM, EPDM, F-NBR, NBR, NBR for food, NR-Metering, NR-Transfer CSM, EPDM, F-NBR, NBR, NBR for food, NR-Metering, NR-Transfer CSM, EPDM, F-NBR, NBR, NBR for food, NR-Metering, NR-Transfer CSM, EPDM, F-NBR, NBR, NBR for food, NR-Metering, NR-Transfer CSM, EPDM, F-NBR, NBR, NBR for food, NR-Metering, NR-Transfer CSM, EPDM, F-NBR, NBR, NBR for food, NR-Metering, NR-Transfer 
Flange assembly typeANSI, DIN, JIS ANSI, DIN, JIS ANSI, DIN, JIS ANSI, DIN, JIS ANSI, DIN, JIS ANSI, DIN, JIS 
Please consult your Bredel representative for lower or higher temperature operation. Allowable ambient temperature is based on pump capabilities and may be further limited by gearbox ambient capabilities.

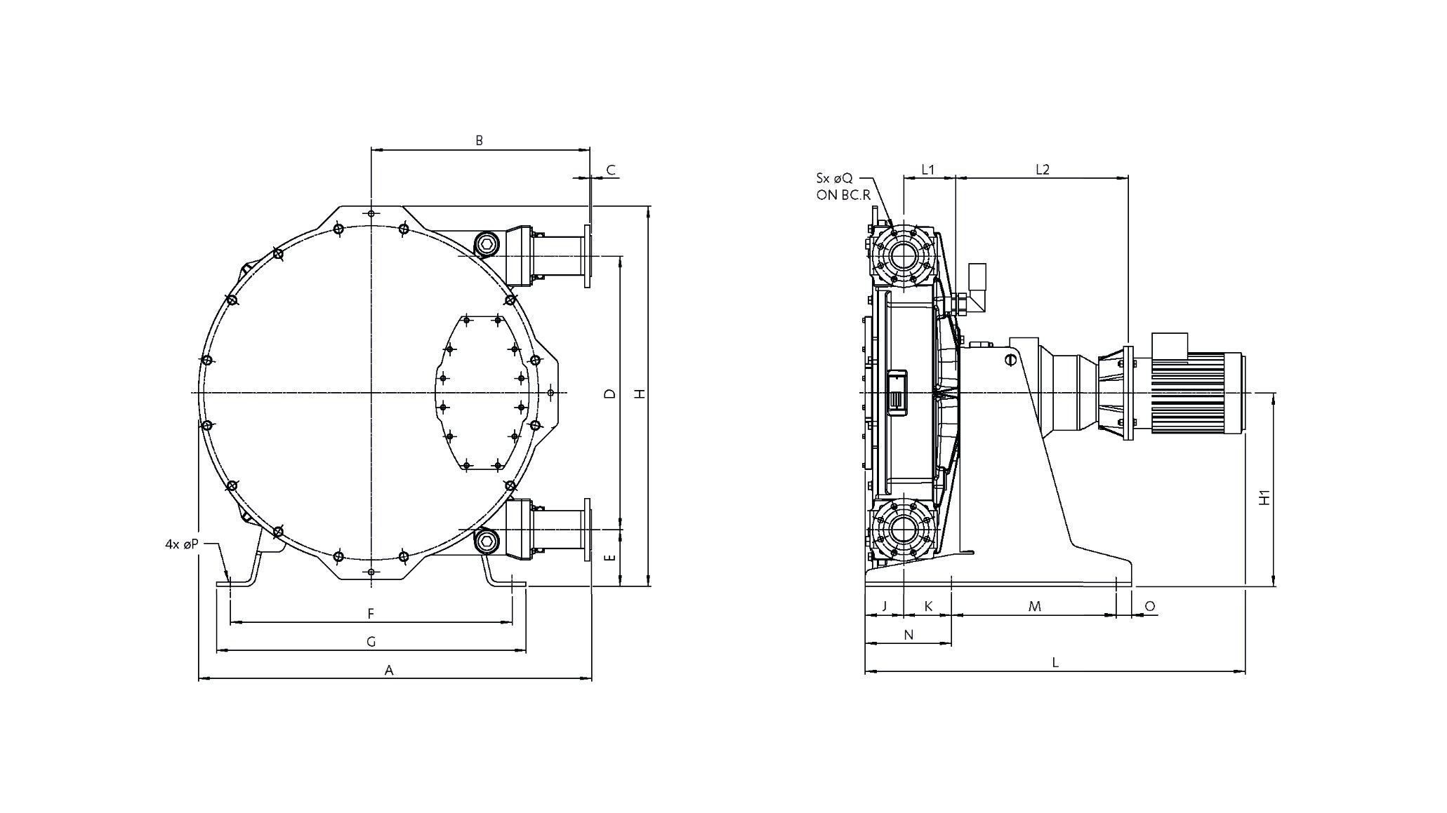
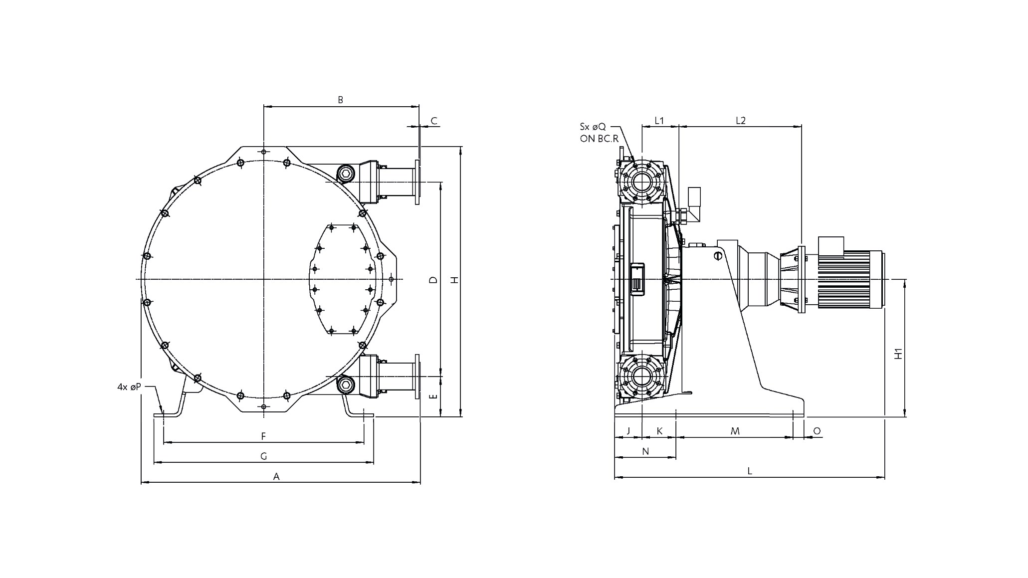
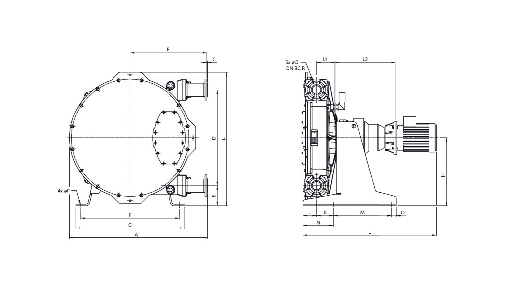
Bredel 65 dimensions

Dimensions image(s)
Type A B C D E F G H H1 J K Lmax L1 L2max M N O ØP ØQ R S
Bredel 65 (mm) 1059 580 3 746 152 680 740 1036 525 104 137 1172 141 486 415 220 50 18 18 145 4
Bredel 65 (inches) 41.7 22.8 0.12 29.4 6 26.8 29.1 40.8 20.7 4.1 5.4 46.1 5.6 19.1 16.3 8.7 2 0.71 0.71 5.7 0.16
Connector sizes ANSI 150# EN DIN JIS
Bredel 65 2.5" 65mm 65mm

Bredel 80 dimensions

Dimensions image(s)
Type A B C D E F G H H1 J K Lmax L1 L2max M N O ØP ØQ R S
Bredel 80 (mm) 1257 700 4 876 182 900 990 1218 620 124 153 1351 166 582 525 275 50 22 18 160 8
Bredel 80 (inches) 49.5 27.6 0.16 34.5 7.2 35.4 39 48 24.4 4.9 6 53.2 6.5 22.9 20.7 10.8 2 0.9 0.71 6.3 0.31
Connector sizes ANSI 150# EN DIN JIS
Bredel 80 3" 80mm 80mm

Bredel 100 dimensions

Dimensions image(s)
Type A B C D E F G H H1 J K Lmax L1 L2max M N O ØP ØQ R S
Bredel 100 (mm) 1468 813 3 1042 199 1050 1140 1415 720 151 173 1392 200 489 540 310 50 22 18 180 8
Bredel 100 (inches) 57.8 32 0.12 41 7.8 41.3 44.9 55.7 28.3 5.9 6.8 54.8 7.9 19.3 21.3 12.2 2 0.9 0.71 7.1 0.31
Connector sizes ANSI 150# EN DIN JIS
Bredel 100 4" 100mm 100mm

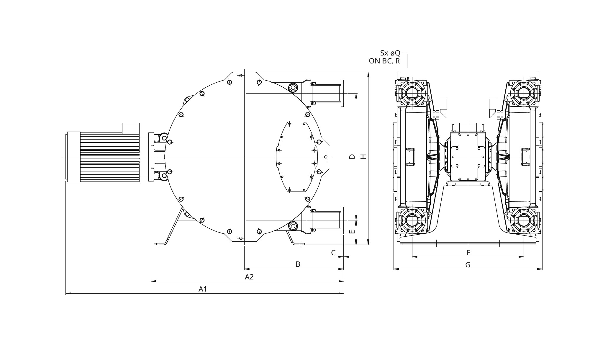
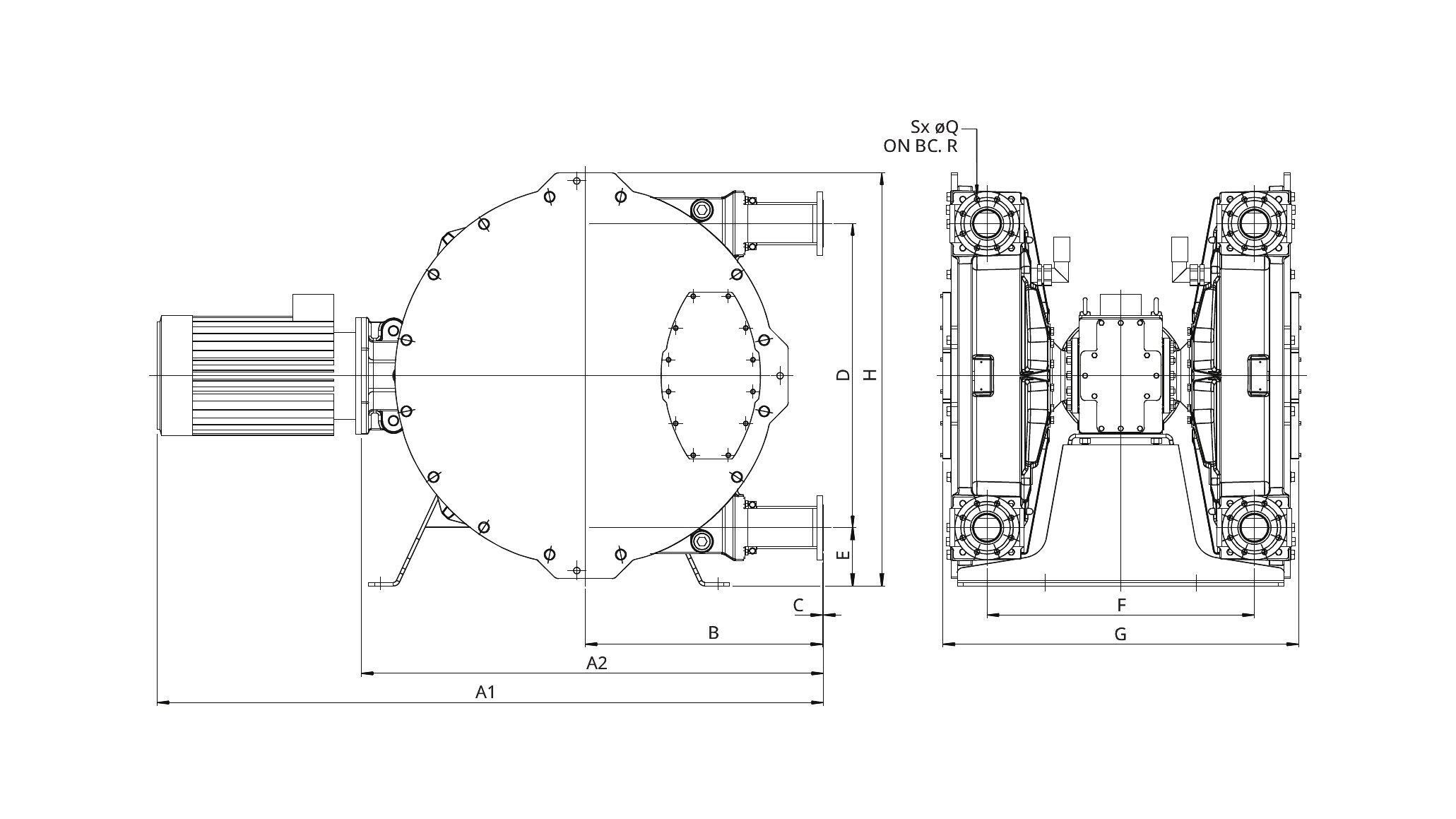
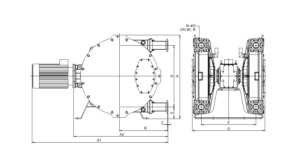
Bredel 265 dimensions

Dimensions image(s)
Type A1 A2 B C D E F G H ØQ R S
Bredel 265 (mm) * 1115 580 3 746 152 720 943 1036 18 145 4
Bredel 265 (inches) * 43.9 22.8 0.12 29.4 5.99 28.3 37.1 40.8 0.71 5.7 0.16

Bredel 280 dimensions

Dimensions image(s)
Type A1 A2 B C D E F G H ØQ R S
Bredel 280 (mm) * 1404 700 4 876 182 800 1047 1218 18 160 8
Bredel 280 (inches) * 55.3 27.6 0.16 34.5 7.2 31.5 41.2 48 0.71 6.3 0.31

Bredel 2100 dimensions

Dimensions image(s)
Type A1 A2 B C D E F G H ØQ R S
Bredel 2100 (mm) * 1516 813 3 1042 199 916 1218 1415 18 180 8
Bredel 2100 (inches) * 59.7 32 0.12 41 7.8 36.1 48 55.7 0.71 7.1 0.31

Materials of construction

Hose materialCSM, EPDM, F-NBR, NBR, NBR for food, NR-Metering, NR-Transfer
HousingCast iron, ISO12944 category C4M
Rotor assemblyCast iron, ISO12944 category C4M
Cover assemblyCast iron, ISO12944 category C4M, Mild steel
Brackets and fastenersGalvanised steel, Stainless steel 316
Support frameGalvanised steel, Stainless steel 316
Hose clampsGalvanised steel, Stainless steel 316
SealsNeoprene, Nitrile

Documentation

Brochures

  1. Bredel pumps (EN).pdf
    PDF - 2.1mb
  2. Tunnel boring (EN).pdf
    PDF - 1.8mb

Datasheets

  1. Bredel 65 datasheet (EN).pdf
    PDF - 1.4mb
  2. Bredel 80 datasheet (EN).pdf
    PDF - 1.4mb
  3. Bredel 100 datasheet (EN).pdf
    PDF - 1.5mb
  4. Bredel 265 datasheet (EN).pdf
    PDF - 1.4mb
  5. Bredel 280 datasheet (EN).pdf
    PDF - 1.4mb
  6. Bredel 2100 datasheet (EN).pdf
    PDF - 1.6mb

Manuals

  1. Bredel 40, 50, 65, 80, 100 manual (EN).pdf
    PDF - 10.2mb
  2. Bredel 265, 280, 2100 manual (EN).pdf
    PDF - 2.7mb
  3. Bredel ATEX Instruction manual (EN).pdf
    PDF - 1.1mb

Other

  1. Bredel sustainability scorecard.pdf
    PDF - 300.3kb

Recommended Products

  1. NBR (Buna N)) hose

    NBR (Buna N)) hose

    NBR (Buna N) hose elements. Resistant to oils, greases, alkalis and detergents.

    Hose pump elements

  2. EPDM hose

    EPDM hose

    EPDM hose elements. Excellent chemical resistance, especially to ketones, alcohols and concentrated acids.

    Hose pump elements

Related Products

  1. Bredel hose pumps (10-50)

    Bredel hose pumps (10-50)

    Flow rates to 17,520 L/h (4,623 USGPH) and pressures up to 16 bar (232 psi). Eliminate ancillary equipment.

    Pumps - hose pumps

  2. Bredel DuCoNite pumps

    Bredel DuCoNite pumps

    Flow rates to 5,250 L/h (23.1 USGPM) and pressures up to 16 bar (232 psi). Paint-free electroplated pump housing.

    Pumps - hose pumps

Our process pump specialists are here to help you succeed.

To order a product or ask a question

Contact our experts