Pumps - panel mount pumps

400/B series panel mount pumps

Overview

400/B series multi-channel pumps

One, two and three channel instrument-quality peristaltic pumps for low flow rates. The spring-loaded track enables extended tube life and flow-accuracy. The adjustable track arm allows the user to optimise for pressure or tube life. Can operate up to 3 bar. Made from durable materials and is integrated with a range of Brushless, DC and AC motors.

400/B1 single channel pumps

Compatible with 1.6 mm wall thickness continuous tubing in six bore sizes.

400/D2 and DM2 compact two-channel pumps

The 400/D2 accepts tube elements with a 1.0 mm wall thickness and four bore sizes, allowing the user to precisely match the pump to the required flow. The 400/DM2 works with standard manifold tubing, which is available in 19 bore sizes.

400/D3 and 400/DM3 compact three-channel pumps

The 400/D3 accepts tube elements with a 1.0 mm wall thickness and four bore sizes, allowing the user to precisely match the pump to the required flow. The 400/DM3 works with standard manifold tubing, which is available in 19 bore sizes.

Features and benefits

  • Wide range of Brushless, DC and AC motors available
  • Supports a wide range of applications with the multiple channel, continuous tubing, tube element and manifold tubing options.

Technical summary

Motor typesFixed speed DC motor, Stepper motor 
Pumphead optionsB1, D2, D3 

Technical Summary table lists features available within the range. See ‘Specifications’ tab for model specific information.

Performance

400 FD/D2 pump performance

Flow rates (ml/min) 1.0 mm wall tubing
Tube bore (mm) Speed (rpm)
4 5 10 12 15 20 25 40 50 75 100 130 200 250
0.5 0.05 0.07 0.13 0.16 0.20 0.26 0.33 0.52 0.65 1.0 1.3 1.7 2.6 3.3
1.0 0.20 0.25 0.50 0.60 0.75 1.0 1.3 2.0 2.5 3.8 5.0 6.5 10 12
2.0 0.72 0.90 1.8 2.2 2.7 3.6 4.5 7.2 9.0 13 18 23 36 45
3.0 1.3 1.7 3.3 4.0 5.0 6.6 8.3 12.7 16 25 33 43 66 82

400 FD/D3 pump performance

Flow rates (ml/min) 1.6 mm wall tubing
Tube bore (mm) Speed (rpm)
4 5 10 12 15 20 25 40 50 75 100 130 200 250
0.5 0.05 0.07 0.13 0.16 0.2 0.26 0.33 0.52 0.65 1.0 1.3 1.7 2.6 3.3
1.0 0.2 0.25 0.5 0.6 0.75 1.0 1.3 2.0 2.5 3.8 5.0 6.5 10 12
2.0 0.72 0.9 1.8 2.2 2.7 3.6 4.5 7.2 9.0 13 18 23 36 45
3.0 1.3 1.7 3.3 4.0 5.0 6.6 8.3 12.7 16 25 33 43 66 82

400 FD/B1 pump performance

Tube bore and flow rates (ml/min)
Speed (rpm) 0.5 mm 0.8 mm 1.6 mm 2.4 mm 3.2 mm 4.0 mm
4 0.04 0.12 0.44 0.96 1.6 2.4
5 0.05 0.15 0.55 1.20 2.1 3.0
10 0.10 0.30 1.10 2.4 4.1 5.9
12 0.12 0.36 1.32 2.9 4.9 7.1
15 0.15 0.45 1.6 3.6 6.1 8.8
20 0.20 0.60 2.2 4.8 8.2 11
25 0.25 0.75 2.7 6.0 10 14
40 0.40 1.20 4.4 9.6 16 23
50 0.50 1.5 5.5 12 20 29
75 0.75 2.2 8.2 18 31 44
100 1.00 3.0 11 24 41 59
130 1.30 3.9 14 31 53 77
200 2.0 6.0 22 48 82 118
250 2.5 7.5 27 60 103 148
350 3.5 10 38 84 144 207

Specifications

Technical specifications

400 FD/D2 pump400 FD/D3 pump400 FD/B1 pump400 ST/B pump
Motor typesFixed speed DC motor Fixed speed DC motor Fixed speed DC motor Stepper motor 
Pumphead optionsD2 D3 B1 B1 
Pumphead number of channels
Flow rate0.05 ml/min to 82 ml/min0.05 ml/min to 82 ml/min0.04 ml/min to 207 ml/min
Supply voltage12 V DC, 24 V DC 12 V DC, 24 V DC 12 V DC, 24 V DC 
Operating temperature-10 °C to 45 °C (14 °F to 113 °F) -10 °C to 45 °C (14 °F to 113 °F) 
Power consumption5 W 5 W 5 W 
Gearbox ratioSpur; 30:1, 75:1, 250:1 Spur;15:1;30:1;75:1;250;1 Spur; 15:1, Spur; 250:1, Spur; 30:1, Spur; 75:1 
Compatible tubing bore size 0.5, 1, 2, 3 mm0.5, 1, 2, 3 mm
Compatible tubing wall thickness 1 mm1 mm1.6 mm

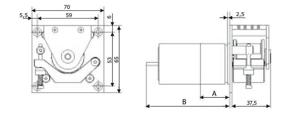
400 FD/D2 pump dimensions

Dimensions image(s)
Motor Type 400FD/D2 5 W
Dimensions A L=26.5 mm x Ø39.6 mm
Dimensions B L=81.0 mm* x Ø39.6 mm

*=maximum length behind mounting plate

Motor type Dimension A Dimension B
Standard DC 5W L=26.5mm X Ø39.6mm L=87.3mm* X Ø39.6mm
Economy DC 5W L=26.5mm X Ø39.6mm L=81.0mm* X Ø39.6mm
Brushless DC 5W L=26.5mm X Ø39.6mm L=77.0mm* X Ø39.6mm

*maximum length behind mounting plate.

Motor type Length overall (A+B) Ø overall (A+B)
Synchronous AC 2W 44.4mm 78.6mm

400 FD/D3 pump dimensions

Dimensions image(s)
Motor Type 400FD/D3 5 W
Dimensions A L=26.5 mm x Ø39.6 mm
Dimensions B L=81.0 mm* x Ø39.6 mm
*=maximum length behind mounting plate

Materials of construction

Pumphead body assemblyAcetal (black)
Pumphead rotor assemblyAcetal (black), Acid resistant stainless steel
Pumphead roller assemblyAcetal (black)
Face plateAnodised aluminium
DriveshaftAcid resistant stainless steel
SpringsAcid resistant stainless steel

Information listed covers the complete range. For detailed specifications of individual models/components refer to product reference manual or contact WMFTS representative.

Documentation

Brochures

  1. Upstream bioprocessing (EN).pdf
    PDF - 1.4mb

Datasheets

  1. 400 FD D2 pump datasheet (EN).pdf
    PDF - 576.4kb
  2. 400 FD D3 pump datasheet (EN).pdf
    PDF - 604.6kb
  3. 400 FD B1 pump datasheet (EN).pdf
    PDF - 652.4kb

Order Information

Product codes

400 FD/D2 pump product codes

Pump product codes
Motor type Voltage Speed (rpm) Product code
Economy DC 5 W 24 VDC 200 040.BS1D.N2C
Economy DC 5 W 24 VDC 75 040.BN1D.N2C
Economy DC 5 W 24 VDC 25 040.BC1D.N2C
Brushless DC 5 W 24 VDC 250 040.FT1D.N2C
Brushless DC 5 W 24 VDC 130 040.FQ1D.N2C
Brushless DC 5 W 24 VDC 50 040.FK1D.N2C
Brushless DC 5 W 24 VDC 15 040.F91D.N2C
Syncronous AC 2 W 110 VAC (60 Hz) 25 040.HC1D.N2C
Syncronous AC 2 W 220 VAC (50 Hz) 20 040.JA1D.N2C
Syncronous AC 2 W 110 VAC (60 Hz) 12 040.H81D.N2C
Syncronous AC 2 W 220 VAC (50 Hz) 10 040.J71D.N2C
Syncronous AC 2 W 110 VAC (60 Hz) 5 040.H41D.N2C
Syncronous AC 2 W 220 VAC (50 Hz) 4 040.J31D.N2C

 

Tubing product codes
Standard 430 tube elements for 400F/D2 pumpheads
Bore/Wall Bioprene Peroxide cured Silicone Connects to
0,.5/1.0 mm 049.EF6D.N05 - Tube bore 3.0
1.0/1.0 mm 049.EF6D.N10 049.EH6D.N10 Tube bore 3.0
2.0/1.0 mm 049.EF6D.N20 049.EH6D.N20 Tube bore 3.0
3.0/1.0 mm - 049.EH6D.N30 Tube bore 3.0

400 FD/D3 pump product codes

Pump product codes
Motor type Voltage Speed (rpm) Product code
Standard DC 5 W 24-30 VDC 12 040.E81D.N3C
Economy DC 5 W 24 VDC 200 040.BS1D.N3C
Economy DC 5 W 24 VDC 75 040.BN1D.N3C
Economy DC 5 W 24 VDC 25 040.BC1D.N3C
Brushless DC 5 W 24 VDC 130 040.FQ1D.N3C
Brushless DC 5 W 24 VDC 50 040.FK1D.N3C
Brushless DC 5 W 24 VDC 15 040.F91D.N3C

 

Tubing product codes
Standard 430 tube elements for 400F/D3 pumpheads
Bore/Wall Bioprene Peroxide cured Silicone Connects to
0,.5/1.0 mm 049.EF6D.N05 - Tube bore 3.0
1.0/1.0 mm 049.EF6D.N10 049.EH6D.N10 Tube bore 3.0
2.0/1.0 mm 049.EF6D.N20 049.EH6D.N20 Tube bore 3.0
3.0/1.0 mm - 049.EH6D.N30 Tube bore 3.0

400 FD/B1 pump product codes

Motor type Voltage Speed (rpm) Product code
Economy DC 5W 12VDC 350 040.AU1B.01C
Economy DC 5W 24VDC 350 040.BU1B.01C
Economy DC 5W 12VDC 200 040.AS1B.01C
Economy DC 5W 24VDC 200 040.BS1B.01C
Economy DC 5W 12VDC 75 040.AN1B.01C
Economy DC 5W 24VDC 75 040.BN1B.01C
Economy DC 5W 12VDC 25 040.AC1B.01C
Economy DC 5W 24VDC 25 040.BC1B.01C
Brushless DC 5W 24VDC 250 040.FT1B.01C
Brushless DC 5W 24VDC 130 040.FQ1B.01C
Brushless DC 5W 24VDC 50 040.FK1B.01C
Brushless DC 5W 24VDC 15 040.F91B.01C
Syncronous AC 2W 110VAC (60Hz) 25 040.HC1B.01C
Syncronous AC 2W 220VAC (50Hz) 20 040.JA1B.01C
Syncronous AC 2W 110VAC (60Hz) 12 040.H81B.01C
Syncronous AC 2W 220VAC (50Hz) 10 040.J71B.01C
Syncronous AC 2W 110VAC (60Hz) 5 040.H41B.01C
Syncronous AC 2W 220VAC (50Hz) 4 040.J31B.01C

Recommended Products

  1. Speed control boards

    Speed control boards

    Speed control boards with manual, remote or auto control. External potentiometer.

    Pumps - panel mount pumps

  2. Bioprene: Thermoplastic tubing

    Bioprene: Thermoplastic tubing

    Thermoplastic tubing with long peristaltic life and low permeability. 5 ºC to 80 ºC (23 ºF to 176 ºF).

    Tubing - peristaltic

  3. Pumpsil tubing

    Pumpsil tubing

    Platinum-cured silicone tubing with ultra smooth bore and excellent flow stability. -20 ºC to 80 ºC (-4 ºF to 176 ºF).

    Tubing - peristaltic

Related Products

  1. 100 series low-flow pumps

    100 series low-flow pumps

    Iconic flip-top pumps for flows up to 500 ml/min. Accurate flow performance to medium pressures.

    Pumps - panel mount pumps

  2. 300 series medium-flow pumps

    300 series medium-flow pumps

    Iconic flip-top pumps for flows to 2,000 ml/min. Suitable for wide range of flow rate and filling applications.

    Pumps - panel mount pumps

  3. 400/M series compact pumps

    400/M series compact pumps

    One to eight channel pumps for medium flows to 200 ml/min. Compact design and Luer connectors for 'fit and forget' applications.

    Pumps - panel mount pumps

  4. 500 series high-flow pumps

    500 series high-flow pumps

    Durable, single channel pumps for high flows to 3,500 ml/min. Supports continuous tubing and Loadsure elements for high pressures.

    Pumps - panel mount pumps

Our pump specialists are here to help you succeed.

To order a product or ask a question

Contact our experts