泵 - 软管泵

Bredel C42 直联型泵

概览

Bredel C42 直联型泵

Bredel C42 是一款直联型泵,专为最高 5 bar 的低压应用而设计。Bredel C42 的坚固设计使其成为传输磨蚀性和研磨性浆料的理想选择。

特点和优势

  • 坚固耐用的设计,非常适合传输腐蚀性和研磨性浆料
  • 压力高达 5 bar
  • 软管内孔是唯一与泵送流体接触的部分
  • 无论工艺条件如何,软管的使用寿命都最长,拥有成本也最低
  • 无锌泵表面
  • 干运行和自吸。吸入能力高达 9 mWC (354 inWC)
  • 易于维护 – 能够就地更换软管
  • 不受气密材料影响

技术摘要

连续最大流量5040 L/h
连续最大流量1331 USGPH
每转排量1.4 L
最大连续运行速度60 rpm
最大工作压力5 bar
最大工作压力72 psi
最小起动扭矩320 N m
最小起动扭矩2830 in.lbs
重量190 kg

“技术摘要”表列出了该范围内可用的功能。请参阅“规格”选项卡了解型号特定信息。

性能

C42 性能

规格

技术规格

Bredel C42 直联型泵
每转排量1.4 l (0.37 USG) 
最大连续运行速度60 rpm
最大工作压力5 bar (72 psi) 
最大入口压力 2 bar abs (30 psi abs) 
最大入口吸入能力9 mWC (354 inWC) 
入口吸入能力(80% 流量)8 mWC (315 inWC) 
工作温度范围-20 °C 至 45 °C(-4 °F 至 113 °F)  
流体温度范围-10 °C 至 80 °C(14 °F 至 176 °F)  
最小起动扭矩320 N m (2830 in.lbs) 
重量 190 kg (420 lbs) 
需要软管润滑剂 6 l (1.59 USG) 
端口配置右, 左 
兼容软管材料NR 
法兰组件类型DIN 
有关低温或高温操作,请咨询您的 Bredel 代表。 允许的环境温度基于泵功能,可能会因减速箱环境功能而受到进一步的限制。

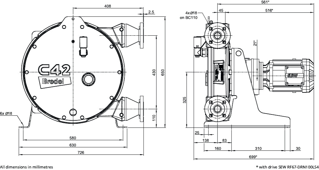
C42 外形尺寸

主要材料

软管材料天然橡胶 (NR)
泵体ISO12944 类别 C4M, 铸铁
转子组件ISO12944 类别 C4M, 铝, 铸铁
盖组件ISO12944 类别 C4M, 钢 S235JR
支架和紧固件 不锈钢
支撑架ISO12944 类别 C4M, 钢 S355JR
软管夹316 不锈钢
密封件NBR

所有 ISO12944 类别 C4M 涂层均不含锌。 根据特殊要求,支撑框架可用 316 不锈钢制成。

文档

宣传手册

  1. Bredel C42 brochure (ZH).pdf
    PDF - 535.4kb

数据表

  1. Bredel C42 close-coupled hose pump datasheet (ZH).pdf
    PDF - 1.8mb

手册

  1. Bredel C42 manual (ZH).pdf
    PDF - 7.3mb

相关产品

  1. Bredel 软管泵 (10-50)

    Bredel 软管泵 (10-50)

    流量高达 17,520 L/h (4,623 USGPH),压力高达 16 bar (232 psi)。无需辅助设备。

    泵 - 软管泵

  2. Bredel 软管泵 (65-2100)

    Bredel 软管泵 (65-2100)

    流量达 108,000 L/h (475 GPM),压力高达 16 bar (232 psi)。无需辅助设备。

    泵 - 软管泵