Pumps - hose pumps

Bredel CIP hose pumps 40-50

Overview

Bredel CIP hose pumps 40-50

The Bredel CIP 40 and CIP 50 pumps are designed for food manufacture and other processes that require regular clean in place, with all the advantages of low shear, hygienic pumping. Recommended for sanitary processes, or other applications requiring regular cleaning of the process lines.

Chemical Compatibility Guide

Features and benefits

  • 3A and FDA certified
  • Food approved NBR pump hose, with NSF® registered food grade lubricant
  • Stainless steel sanitary connectors range includes DIN, ASA or JIS
  • Shoes on the rotor retract automatically for cleaning of pump element inside
  • Cam actuated electrically, pneumatically or manually
  • Maximum sterilization temperature 120 ºC
  • Bredel CIP 40 flow rates up to 4,800 L/h (42 GPM), pressures up to 16 bar (232 psi)
  • Bredel CIP 50 flow rates up to 8,500 L/h (77 GPM), pressures up to 16 bar (232 psi)

Technical summary

Max. flow rate continuous8760 L/h
Max. flow rate continuous2311 USGPH
Volume per revolution1.33 - 2.92 L
Max. continuous operating speed50 - 60 rpm
Max. operating pressure16 bar
Max. operating pressure232 psi
Min. starting torque320 - 620 N m
Min. starting torque2832 - 5,487 in.lbs
Weight175 - 265 kg

Technical Summary table lists features available within the range. See ‘Specifications’ tab for model specific information.

Performance

CIP 40 performance

Performance charts

CIP 50 performance

Performance charts

Specifications

Technical specifications

CIP 40CIP 50
Max. flow rate continuous4788 L/h (1263 USGPH) 8760 L/h (2311 USGPH) 
Max. flow rate intermittent4788 L/h (1263 USGPH) 8760 L/h (2311 USGPH) 
Volume per revolution1.33 L (0.35 USG) 2.92 L (0.77 USG) 
Max. continuous operating speed60 rpm50 rpm
Max. intermittent operating speed60 rpm50 rpm
Max. operating pressure16 bar (232 psi) 16 bar (232 psi) 
Max. suction capability9.5 mWC (374 inWC) 9.5 mWC (374 inWC) 
Suction capability (80% Flow rate)9 mWC (354 inWC) 8 mWC (315 inWC) 
Operating temperature-20 °C to 45 °C (-4 °F to 113 °F) -20 °C to 45 °C (-4 °F to 113 °F) 
Fluid temperature-20 °C to 80 °C (-4 °F to 176 °F) -20 °C to 80 °C (-4 °F to 176 °F) 
Min. starting torque320 N m (2832 in.lbs) 620 N m (5487 in.lbs) 
Weight175 kg (386 lbs)  265 kg (584 lbs)  
Pumphead weight139 kg (306 lbs) 195 kg (430 lbs) 
Hose lubricant required10 L (2.6 USG) 20 L (5.3 USG) 
Port configurationsDown, Left, Right, Up Down, Left, Right, Up 
Compatible hose materialsCSM, EPDM, F-NBR, NBR, NBR for food, NR-Metering, NR-Transfer CSM, EPDM, F-NBR, NBR, NBR for food, NR-Metering, NR-Transfer 
Flange assembly typeANSI, DIN, JIS ANSI, DIN, JIS 
Sanitary connector optionsDIN 11851, DIN 11864, IDF, RJT, SMS, Tri-clamp DIN 11851, DIN 11864, IDF, RJT, SMS, Tri-clamp 
Please consult your Bredel representative for lower or higher temperature operation. Allowable ambient temperature is based on pump capabilities and may be further limited by gearbox ambient capabilities.
Certification icons
Certification icons

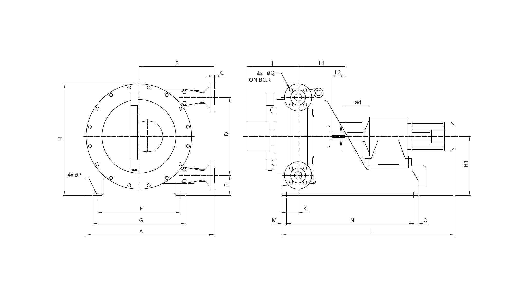
CIP 40 dimensions

Dimensions image(s)
Type A B C C D Ød E F G H H1 Jmax K L L1 L2 M N O Q R
Bredel CIP 40 (mm) 702 412 2.5 10 430 40 110 454 508 615 325 414 64 * 260 80 25 700 25 18 110
Bredel CIP 40 (inches) 27.6 16.2 0.1 0.4 16.9 1.57 4.3 17.9 20.0 24.2 12.8 16.3 2.5 * 10.2 3.1 1.0 27.6 1.0 0.7 4.3

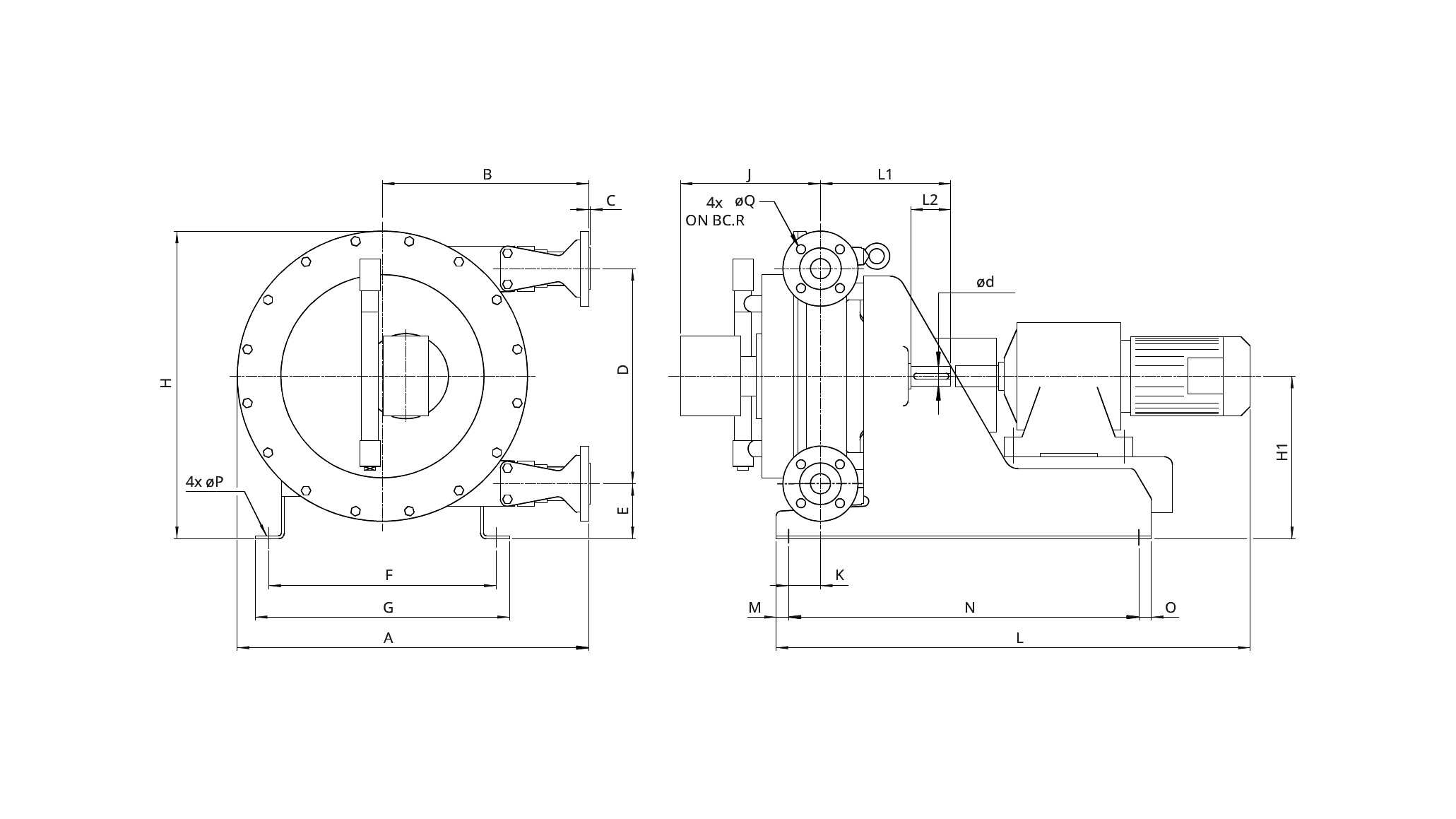
CIP 50 dimensions

Dimensions image(s)
Type A B C C D Ød E F G H H1 Jmax K L L1 L2 M N O Q R
Bredel CIP 50 (mm) 835 475 3 10 554 50 123 444 496 760 400 433 78 * 325 100 25 870 25 18 125
Bredel CIP 50 (inches) 32.9 18.7 0.1 0.4 21.8 1.97 4.8 17.5 19.5 29.9 15.7 17.0 3.1 * 12.8 3.6 1.0 34.3 1.0 0.7 4.9

Materials of construction

Hose materialCSM, EPDM, F-NBR, NBR, NBR for food, NR-Metering, NR-Transfer
HousingCast iron
Rotor assemblyCast iron
Cover assemblyCast iron
Brackets and fastenersGalvanised steel, Stainless steel 316
Support frameGalvanised steel, Stainless steel 316
Hose clampsGalvanised steel, Stainless steel 316
SealsNBR

Documentation

Brochures

  1. Bredel pumps (EN).pdf
    PDF - 2,1mb
  2. Brewing Overview (EN).pdf
    PDF - 1,4mb

Datasheets

  1. CIP 40 datasheet (EN).pdf
    PDF - 1,2mb
  2. CIP 50 datasheet (EN).pdf
    PDF - 1,3mb

Manuals

  1. Bredel CIP40, 50 manual (EN).pdf
    PDF - 3,2mb

Recommended Products

  1. Bioprene hose

    Bioprene hose

    Bioprene hose elements. Meets FDA standards, resistant to alcohols, acids and oxidising products.

    Hose pump elements

  2. F-NBR hose

    F-NBR hose

    F-NBR hose elements. Suitable for all food products including oils and greases. Meets FDA, EC and 3A standards.

    Hose pump elements

  3. CSM hose

    CSM hose

    CSM hose elements. Outstanding resistance to strong, oxidising products and concentrated acids and bases.

    Hose pump elements

  4. NBR (Buna N) hose

    NBR (Buna N) hose

    NBR (Buna N) hose elements. Resistant to oils, greases, alkalis and detergents.

    Hose pump elements

Related Products

  1. Bredel DuCoNite pumps

    Bredel DuCoNite pumps

    Flow rates to 5,250 L/h (23.1 USGPM) and pressures up to 16 bar (232 psi). Paint-free electroplated pump housing.

    Pumps - hose pumps

  2. Bredel hose pumps (10-50)

    Bredel hose pumps (10-50)

    Flow rates to 17,520 L/h (4,623 USGPH) and pressures up to 16 bar (232 psi). Eliminate ancillary equipment.

    Pumps - hose pumps

  3. Bredel hose pumps (65-2100)

    Bredel hose pumps (65-2100)

    Flow rates to 108,000 L/h (475 GPM) and pressures up to 16 bar (232 psi). Eliminate ancillary equipment.

    Pumps - hose pumps

Our process pump specialists are here to help you succeed.

To order a product or ask a question

Contact our experts